Wednesday, November 20th, 2019 AT 12:01 AM
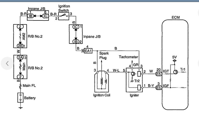
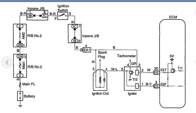
Car has rough time starting, but when started will start right back up. When I drive down the road after I hit third gear and I went above 15 mph car will stall and throw a p1300 code but will start back up. When this happens a few time CPS will short out and if I replace it it's the same thing all over again no matter how many times I replace it. What I have replaced distributor and all it's components, wires, plugs, coil, igniter, crank position sensor and checked EFI relay and fuse. My fans are stuck on as well. I do not know if that has anything to do with it. Please help sick car. I have $2,500.00 in it would like to drive and stay running.






















