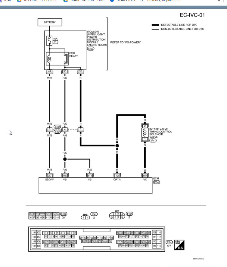
My car would sputter and shut off on first start if I start it the second time it idles fine. yesterday it did it on three starts on the fourth start it idle fine. Sometimes it shuts off on me while driving and start right back. I have these code popping up each time I erase them after about 5km drive they are: po340 for camshaft and po128 I think for thermostat.
All these stated after I took off the intake manifold and changed a leaking injector car refused to start I call in a mechanic that said it was the timing that need reset he then reset the timing yet no luck.
Another guy came and just heated the spark plugs and crank for about ten minutes and car started but the idle was higher than normal I drove the car to a guy that did an idle relearn after all these jobs done, I started having all these problems.
Could it be an incorrect timing throwing the po340 code or idle relearn not properly learnt causing the computer to forget idle speed on first start? There wasn't (service engine soon)light on my dash board before these job was done on the car. Please help I'm pulling my hair already.
All these stated after I took off the intake manifold and changed a leaking injector car refused to start I call in a mechanic that said it was the timing that need reset he then reset the timing yet no luck.
Another guy came and just heated the spark plugs and crank for about ten minutes and car started but the idle was higher than normal I drove the car to a guy that did an idle relearn after all these jobs done, I started having all these problems.
Could it be an incorrect timing throwing the po340 code or idle relearn not properly learnt causing the computer to forget idle speed on first start? There wasn't (service engine soon)light on my dash board before these job was done on the car. Please help I'm pulling my hair already.
Mar 26, 2021 at 2:11 AM




















