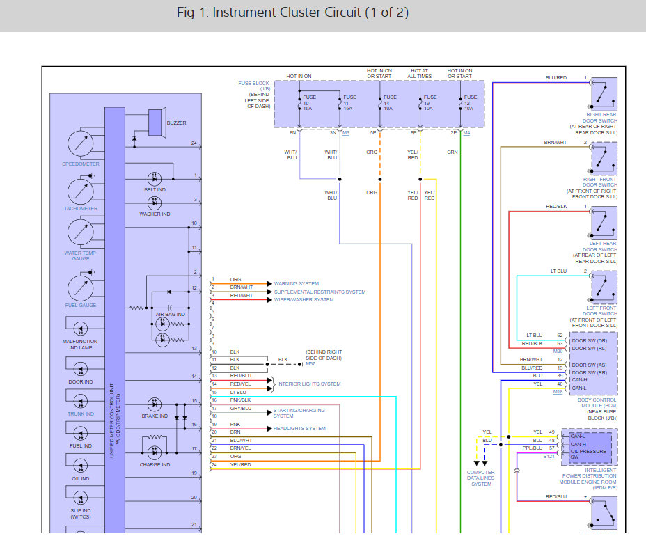
The vehicle speedometer is not functioning, but the transmission is working perfectly (shifting into gears). I thought the transmission should not upshift since the speedometer is not functioning. How can the combination meter be tested to know if the problem is not from the combination meter? Could I get a circuit diagram showing the relationship between transmission, combination meter and ECU?
And what other tests could be done?
Thursday, October 20th, 2022 AT 7:32 PM










