speaker and amp install

2007 CHRYSLER ASPEN
95,000 MILES • 5.6L • 2WD • AUTOMATIC
Avatar
ALBERT MURILLO
  • MEMBER
  • 2 POSTS
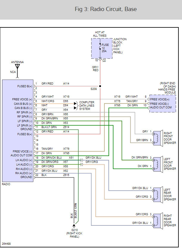
i need a wire diagram for the input output wire coming from factory amp.
Mar 28, 2018 at 5:19 PM
Repair Safety Notice: This information is for general instructional purposes only. Vehicle repair can be dangerous. Verify all information, follow manufacturer service procedures, use proper tools and safety equipment, and consult a qualified repair shop when needed.
Advertisement
Avatar
STRAILER
  • AUTOMOTIVE REPAIR CONTRIBUTOR
  • 54,178 POSTS
Hello,

Here are all of the radio and amplifier wiring diagrams I can find (below) let me know if you need them to be larger i can cut them in half and upload them.

Check out the diagrams (below).

Please let us know if you need anything else to get the problem fixed.

Cheers, Ken
Mar 30, 2018 at 10:55 AM
Advertisement
Avatar
ALBERT MURILLO
  • MEMBER
  • 2 POSTS
Right on. thanks so much been looking everywhere to no avail. thanks again, really appreciate it. you rock!
Mar 30, 2018 at 11:00 PM
Avatar
STRAILER
  • AUTOMOTIVE REPAIR CONTRIBUTOR
  • 54,178 POSTS
Good to hear. please use 2CarPros anytime, we are here to help.

Cheers, Ken
Mar 31, 2018 at 11:52 AM