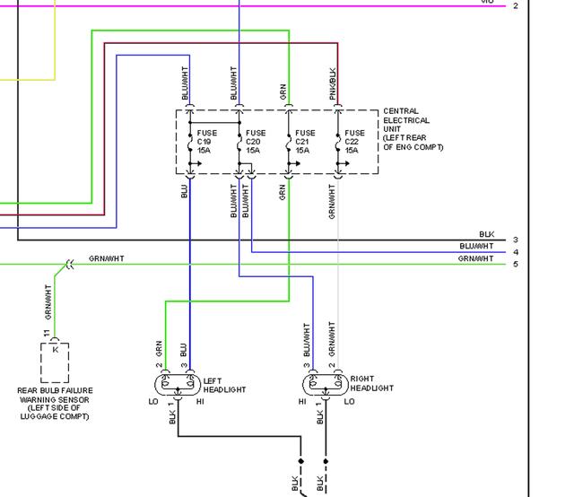
The side, rear and instrument panel lights will not come. The headlights, brake lights, turn signals and backup lights are fine. This is true for both positions of the lights control switch. All fuses appear to be OK.
Where do I start?
Thanks,
David
Wednesday, October 23rd, 2013 AT 5:53 AM

