Saturday, November 12th, 2022 AT 6:26 PM
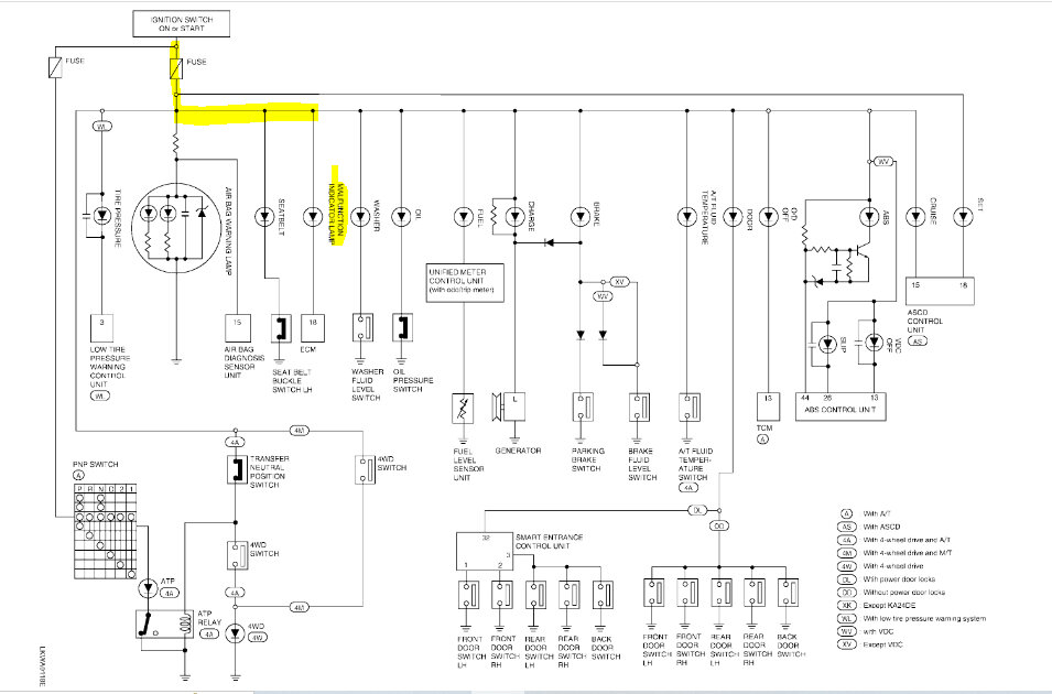
This vehicle service engine light does not come on and it makes the vehicle not to start. I have checked all fuses and relay and all checks okay. Is there a junction connector that is shorting power that causes this light to cease?



