Saturday, March 18th, 2023 AT 9:33 AM
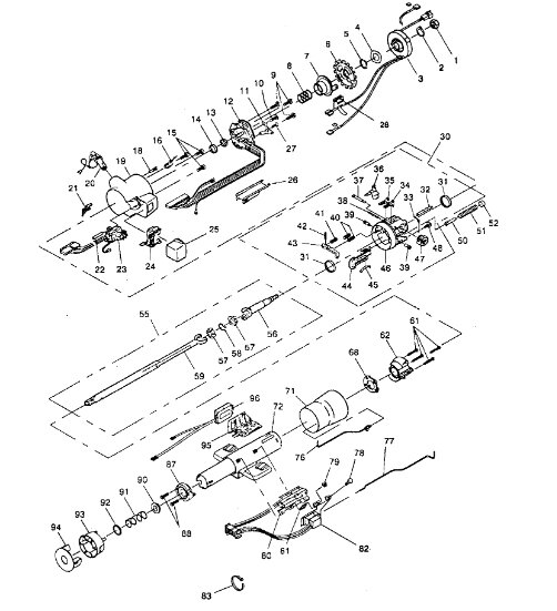
There is a rod in steering column that pushes down on the switch on a button that ignites the ignition, where is it connected to on the front part of it by the turn blinkers? The tilt lever something on mine is broke off and I can't figure it out and I keep looking up diagrams to try to see the picture of the inside of the steering column right there with a tilt switch and I can't find one.




