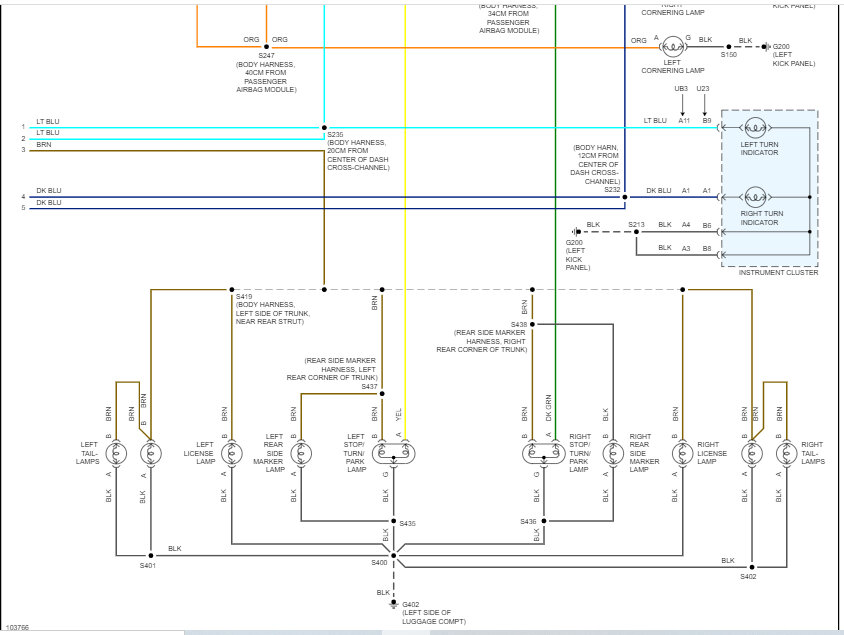
With ignition switch on, when the turn signal wand is pushed into the right turn position, the dash indication of right turn signal stays on, but dash indicator does not blink, with right turn wand still on right turn position, the right taillight lights all bulbs, but without blinking.
Although I have attempted with a VOM to check all fusible links beneath the dash, the VOM leads are difficult to position properly on each tiny contact point. On the idea this might be simpler-- a matter of replacing a component besides the fusible link, I need to review the schematics for this car.
Your suggestions are appreciated.
Wednesday, October 26th, 2022 AT 5:13 PM








