Monday, March 4th, 2024 AT 8:11 PM
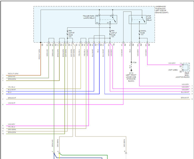
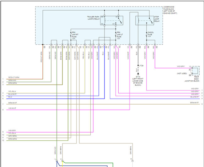
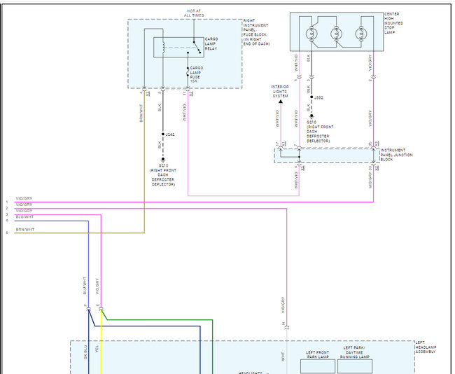
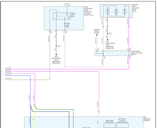
The taillight on the right rear is not working, I have everything, brake lights, signals, backup lights. Replaced the power block, Right wiring harness, just the right taillight is out, bulbs are all new, fuses seem to be good, power at relay and fuses, headlights have started to go out. I turn off truck restart they will stay on, but no taillight, I have upgraded my headlights to LED bulbs long ago and just recently have started cutting out. Do you think they could be linked and causing this taillight problem?












