Tuesday, May 24th, 2022 AT 10:49 AM
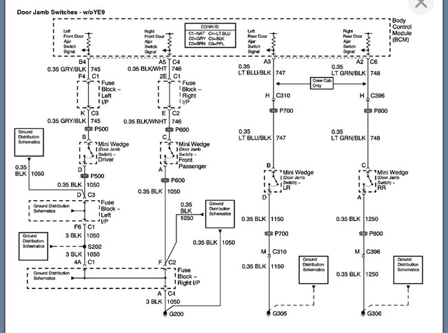
Having trouble with right rear door ajar will display not go away I replaced the latch assembly no luck dome lights stay on all the time also. The odd thing is the BCM pinout calls for light green and black for right rear door for that side but on this truck for some reason the colors are light blue and black not sure why but having trouble finding issue with this truck since replacing latch didn't work? I tried to ground out the light blue and black wires at door to bypass switch and nothing happens. So, will grounding out at BCM C6 diagram plug pin A2 maybe bypass this right rear door ajar issue?















