Thursday, September 17th, 2020 AT 9:31 PM
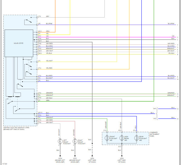
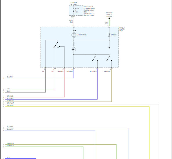
Fuse okay, bulb okay. Getting no power to green wire. Left is okay. Was intermittent now doesn't work at all. Need a good wiring diagram with a component locator and any help would be awesome.





