Sunday, August 14th, 2022 AT 6:07 PM
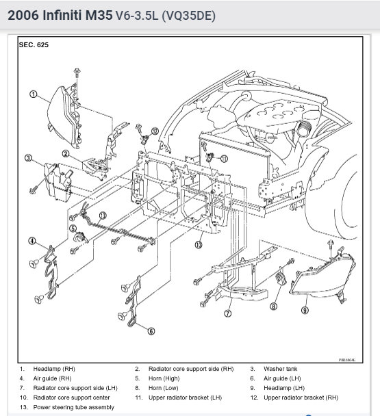
I had to replace my radiator support due to an accident. I also had to remove the radiator, the A/C condenser and the fan. When doing that I removed a bar that I believe is an upper radiator retainer tie bar, now I don't remember where the bar goes. Can you please help?














