Monday, July 8th, 2019 AT 4:24 PM
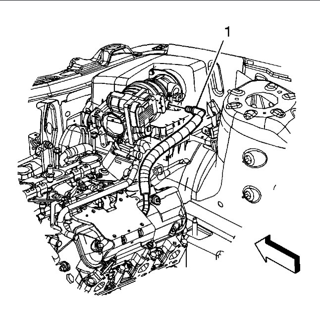
Lately when in park the engine accelerates. I took it to AutoZone and the read out stated that the PCV valve needed to be replaced. My husband attempted to do this but we didn’t see a valve to remove and the piece that is connected to the hose is permanently attached and can’t be removed. How do we get this valve changed?





