Wednesday, March 2nd, 2022 AT 11:02 AM
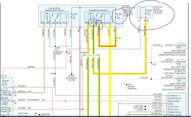
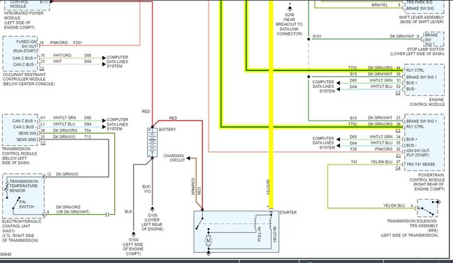
My starter went out on my vehicle, it was just making a click when I tried. I bought a starter from a salvage yard and installed it and now it tries to start for about 2 seconds and then shuts off and acts like the battery has drained. The battery has not drained, I had it tested, and it was at 100%. Also, after trying a couple times to start it, the starter gets really hot and starts to smoke. Any ideas what the problem could be?






