Friday, October 23rd, 2020 AT 3:39 AM
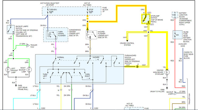
So I replaced the brake light switch on my full size Blazer Sport. All my lights (turn signals, tail lights, hazards) work but my brake lights do not. I have taken this thing off and reinstalled so many times I lost count. If I manually push in the bronze piece the lights will come on or if I hold the brake switch still and press in the brake pedal the lights come on. If anyone knows where I messed up or my problem please let me know so I can fix this thing already.





