Monday, October 25th, 2021 AT 2:03 PM
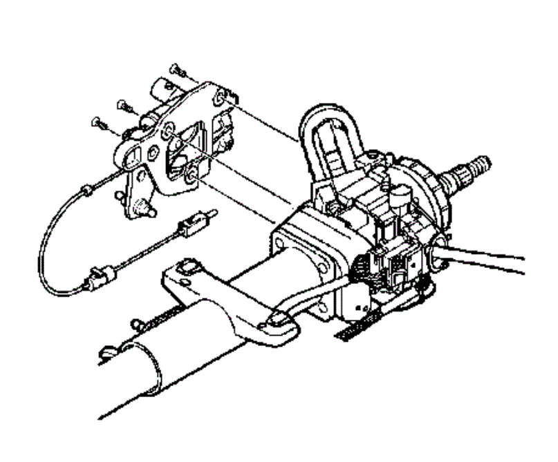
I'm repairing my shifter cable, the plastic piece near the column shifter broke off while removing the ignition switch (it looked like it had been repaired before and was fragile). I found a steering wheel column from scrapyard with the part on it, but the wire was cut at the point that connects to the ignition switch. I was able to harvest all of the needed pieces from the steering wheel acquired from the scrapyard but, my question is what is the best way to fuse/connect the metal pin to the old wire? I was going to try some JB weld but wanted to see if there was a better way/idea?




































