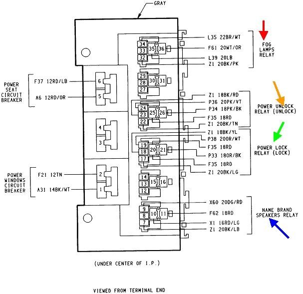
I did not notice it had a chatty relay when the lights are turned on. (Under dash far left bottom row above fuses.)
Did not do due diligence and test lights etc.
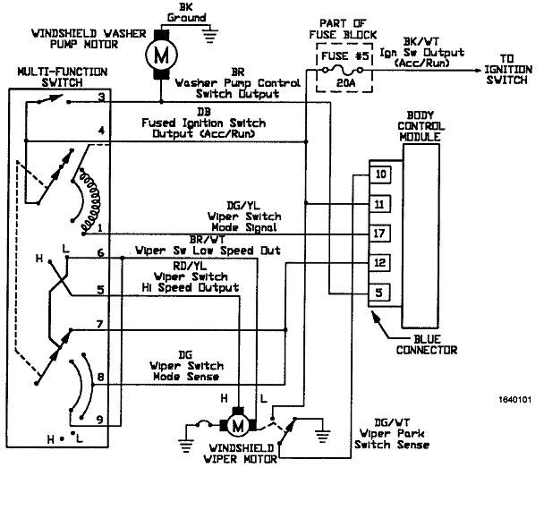
Also, the wipers do not work on the windscreen (rear work well).
I take the relay out and all is good (well stops chatting) now rear lights while the relay is out.
Have not been driving much at night. So not as big an issue. Now days are getting shorter and the rain is on the horizon.
Radio lights up but not working and occasionally makes static noise but nothing else.
The door locks have just started not to work of the two front buttons (the open and close all at once) yet they still open and close of the fob.
Actions taken:
I have checked all the fuses and swapped out a few relays (picked up a couple from wreckers a while back).
I have taken the dash down and steering column covers off.
Removed radio still relay chatters, unplugged all the cables at the steering wheel (wiper switch, hazard; cruise control;) tested, still noisy relay.
Please does anyone have any idea as to what might be causing these issues?
Appreciatively,
Mark
Sunday, October 21st, 2018 AT 2:43 PM





