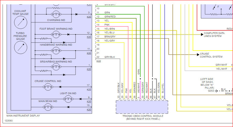
Sunday, September 9th, 2018 AT 12:49 AM
The wires for the OBD port became disconnected and separated from the port while working on dash board. How do I connect them correctly?





