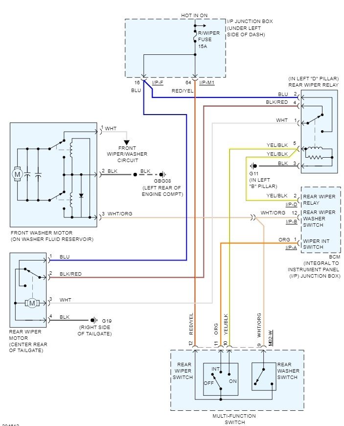
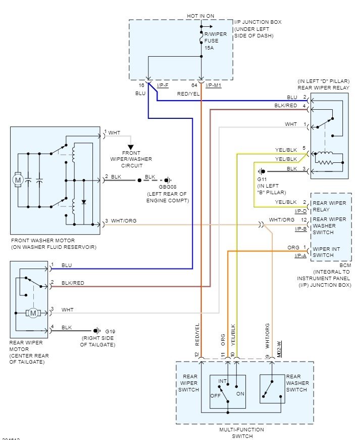
Tuesday, April 19th, 2022 AT 9:07 PM
My rear wiper and washer do not work. All I know at this point is there's no power getting to the motor. Where should I start testing for this power failure?

