Monday, May 29th, 2017 AT 5:51 AM
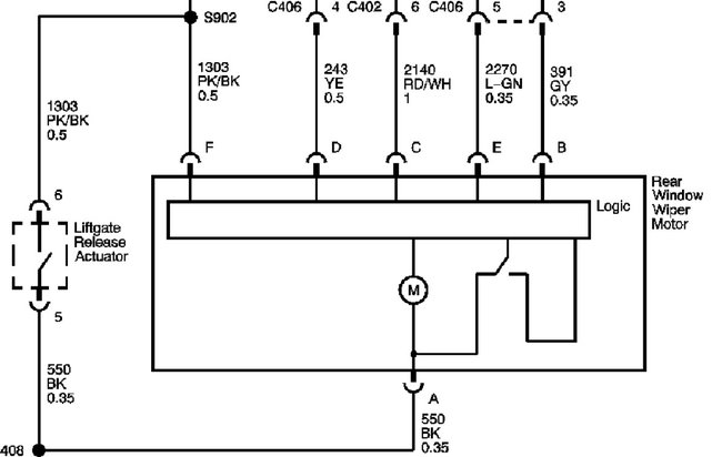
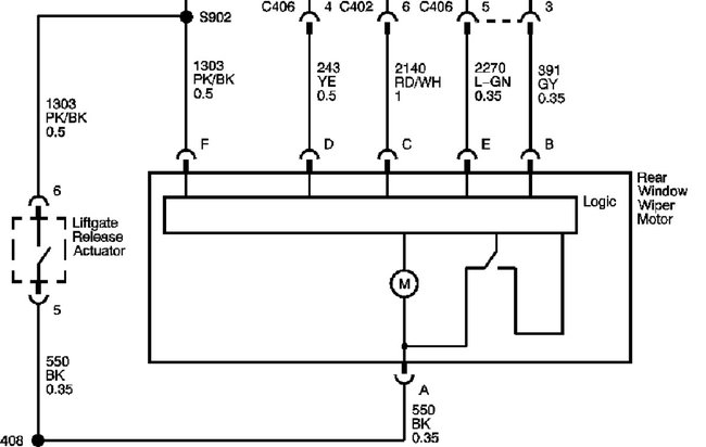
The car battery was drained. When I got the car started the rear wiper motor was humming and the switch was not on. I pushed the wiper arm and the humming stopped. Got new wiper motor. Checked fuses under hood and they are good. New motor does not move when the switch is on. Washer switch works but no movement in the motor. How can I check for electrical short or how can I check the new motor?



