Tuesday, March 26th, 2019 AT 3:22 AM
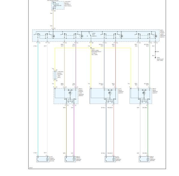
Passenger rear window won’t go down. Just replace the driver side regulator and motor. The rest of the windows work except the passenger rear window.

