Friday, January 5th, 2018 AT 5:56 PM
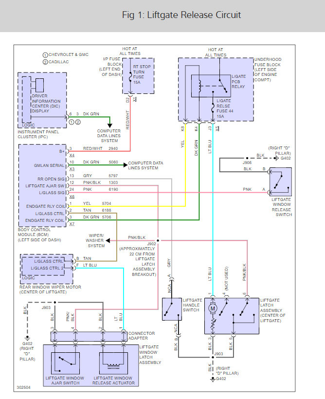
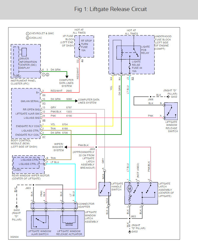
My rear lift gate stopped opening with the handle. I was out of town and for a few days I could open with overhead switch and remote. Now I cannot even open with remote or overhead switch and there is no noise when I use remote and overhead switch. When I use the remote the tail lights flash but nothing happens with the latch.
















