Saturday, February 18th, 2017 AT 12:22 PM
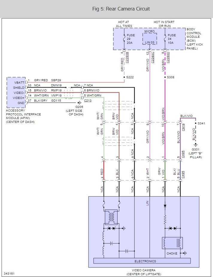
Rear view camera is unavailable. Please contact your dealership. What to do? I want to make sure it is the camera before buying it. And find it just a fuse.






