Wednesday, May 29th, 2024 AT 7:06 PM
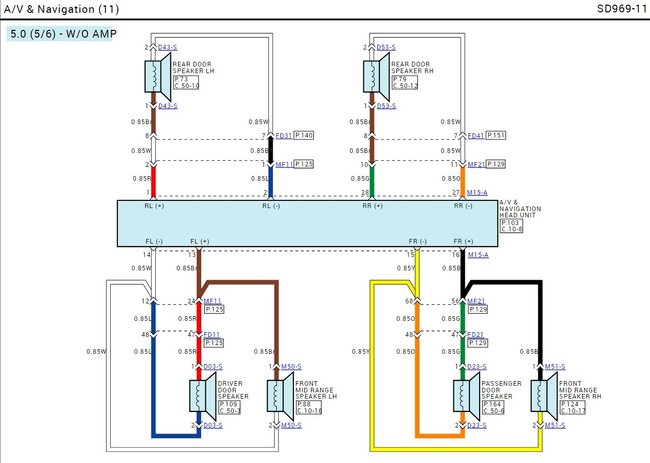
I’m trying to install subs in my vehicle, more specifically I’m trying to install a line output converter at the moment, and I can’t find a wiring diagram anywhere for the radio.



