Wednesday, April 26th, 2023 AT 10:45 PM
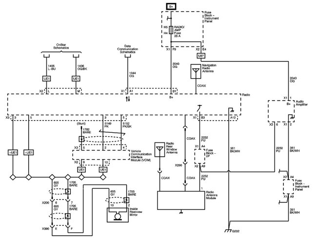
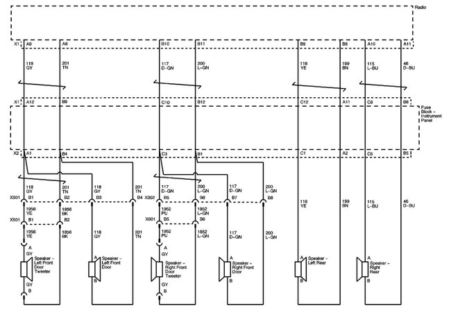
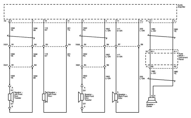
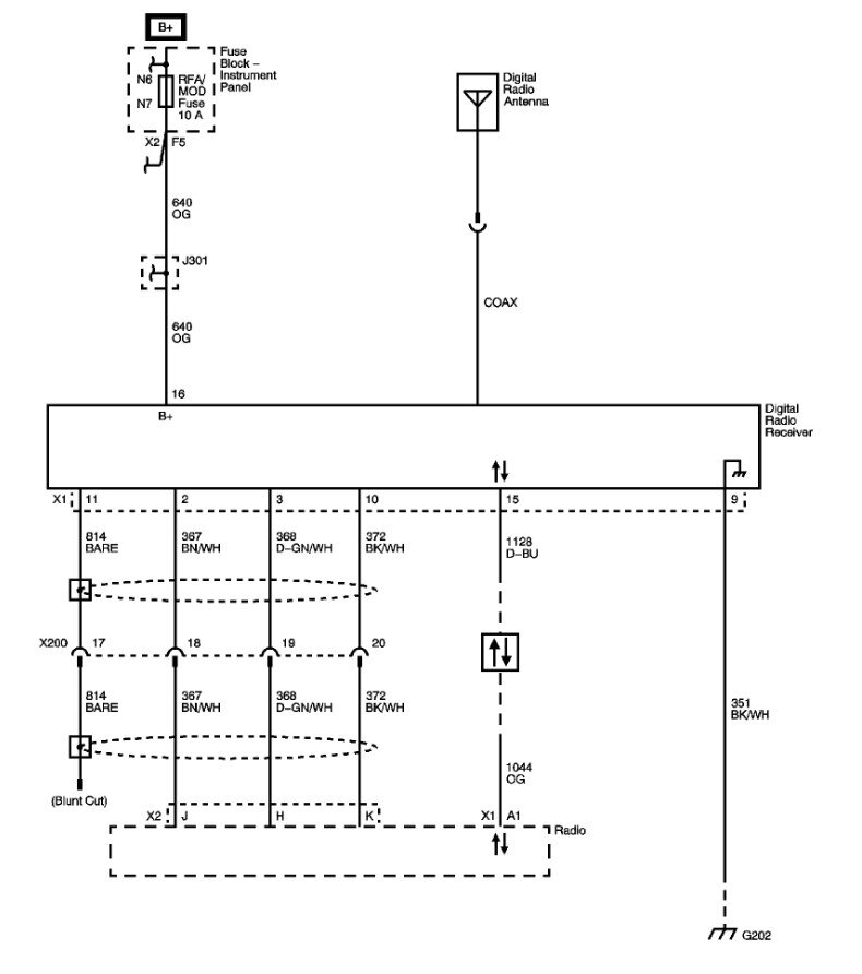
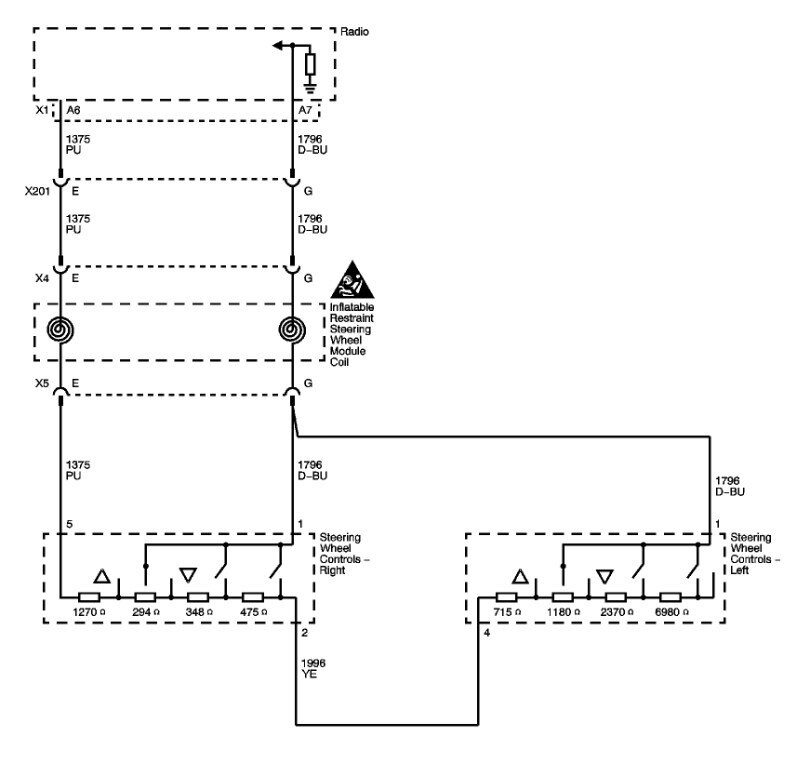
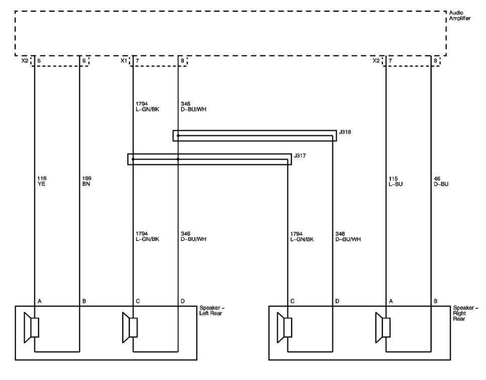
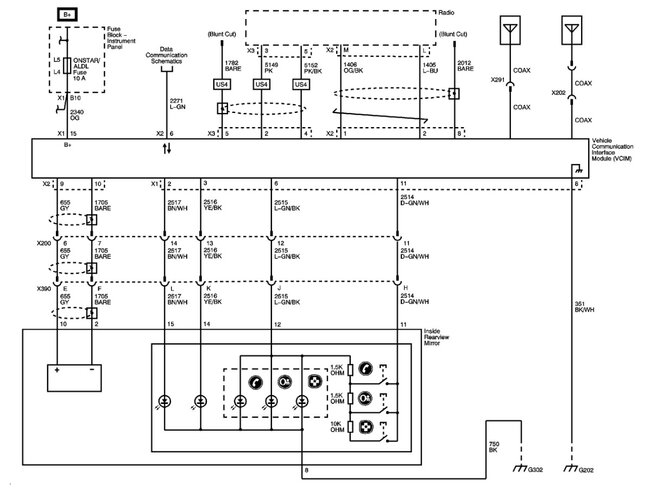
I need a wire diagram for my car stereo (stock). I have the car listed above with the Denso DNNS008 (GM 15263106) Stereo CD DVD Navigation radio. My search online for a schematic has been unsuccessful so far. Hoping you might be able to help.























