Tuesday, October 3rd, 2017 AT 2:22 PM
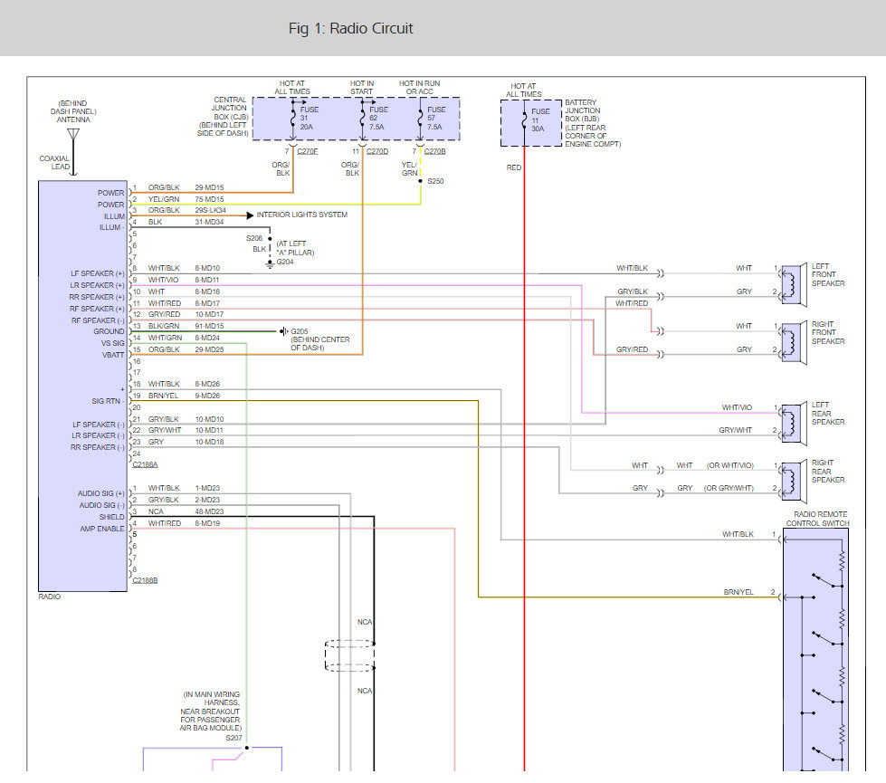
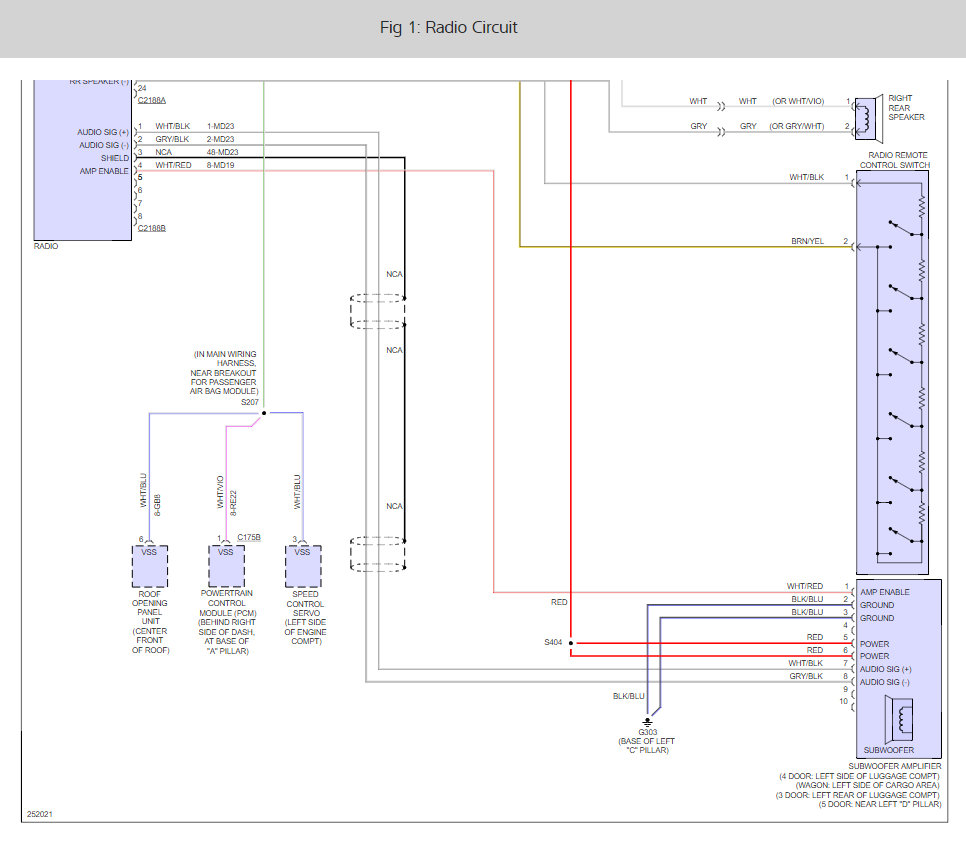
I cut the factory stereo wiring harness for the sub-wolfer. The harness connector has ten slot with seven wires, two red two black with blue, one red and white, and one grey with black and white with black. Do you have a diagram for this?



