I was driving with my car A/C on and it was cooling. Then suddenly, the car overheats and smoke started rising from under the hood. I pulled over to find the smoke coming from the general area of the A/C compressor. I also found both condenser fan and radiator fans were not working.
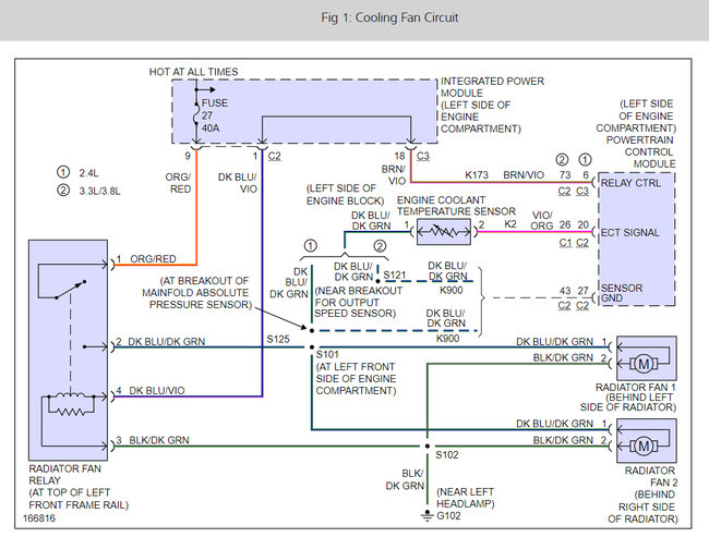
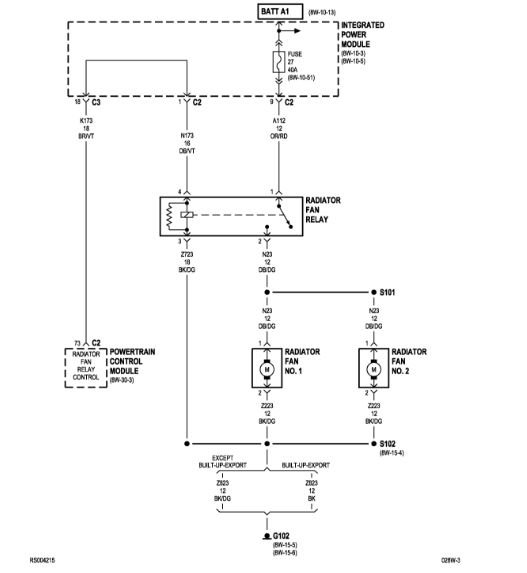
I took out the condenser fan relay and jumped it to test, and the fans worked fine. I replace the relay with a new one and the fans did not work. At this time I noticed the compressor now makes a loud howling sound when the A/C is turned on. I replace the coolant temperature sensor with a new one and it did not help.
I used a multi-meter, set to the volt DC side, to check if power got to the relay harness, and, I got full 12 volts on the power side of the relay. However, on the command side, I got - 13.7 with the engine on and A/C running.
I checked for continuity between the fan motor harness and the relay and there was continuity.
I am afraid this is all I know how to do and so far, I have not been able to get the fans to work.
Please, someone, tell me what to do to solve the problem.
Wednesday, July 11th, 2018 AT 10:51 AM








