Saturday, August 6th, 2022 AT 9:27 AM
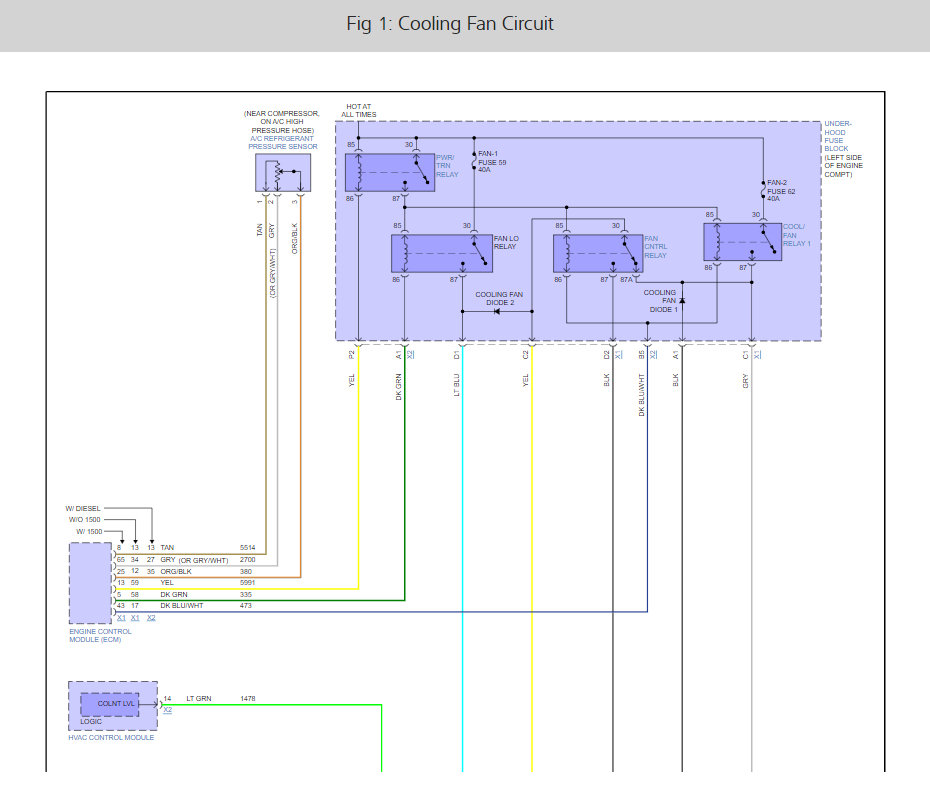
The engine overheats without the A/C on, and the fans never turn on. I have replaced the water pump and thermostat, engine temperature sensor, the relays, checked the fuses, and put in a new ECM and nothing has resolved the issue yet. What else could be the problem? Thanks.



