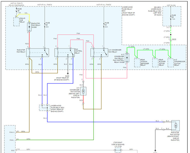
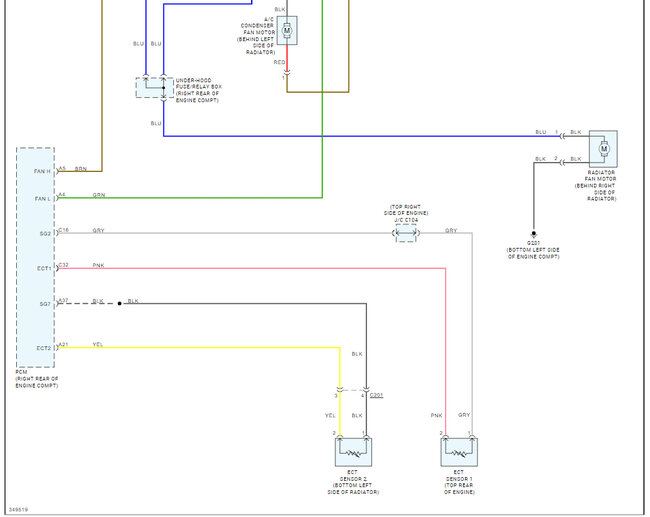
Wednesday, October 9th, 2024 AT 6:41 PM
I have realized that the radiator fans do not turn off, even though the antifreeze temperature is at a low temperature, which when the fans stay on all the time my battery drops, what problem could cause the fans to stay on?



