Sunday, April 28th, 2019 AT 6:22 PM
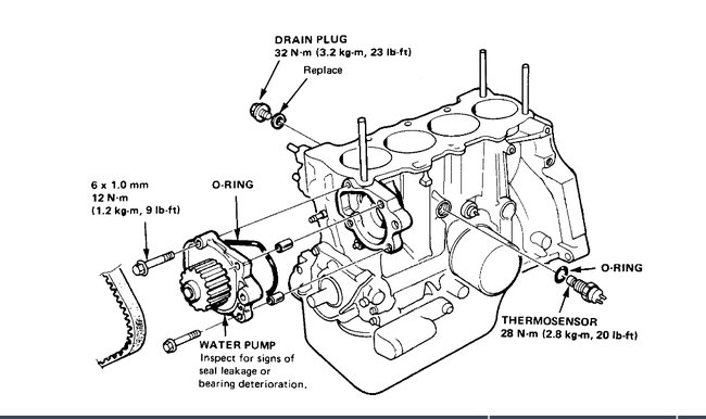
Already checked radiator fan relay, okay, replaced thermosensor above oil filter, okay, noticed when I ground blue wire from relay, radiator fan turns on. Any idea? There is a sensor on the bottom of the radiator is that part of the radiator fan system? Please advice. Thank you.













