Thursday, May 9th, 2019 AT 9:30 AM
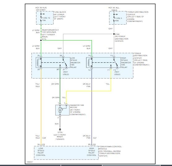
Replace low and high relay switches the 40 amp fuse in a 20 amp speed control for the fan. I tested the fan hook the ground wire to their ground on the battery after going to wire ran to the positive hook to my test light and I was able to get a good connection on the actual fan on the high side, but nothing on the low. Checked the plug goes in the wiring harness to the fan with my volt meter and test light with the motor running and can't get no power.


