Sunday, June 25th, 2023 AT 3:13 AM
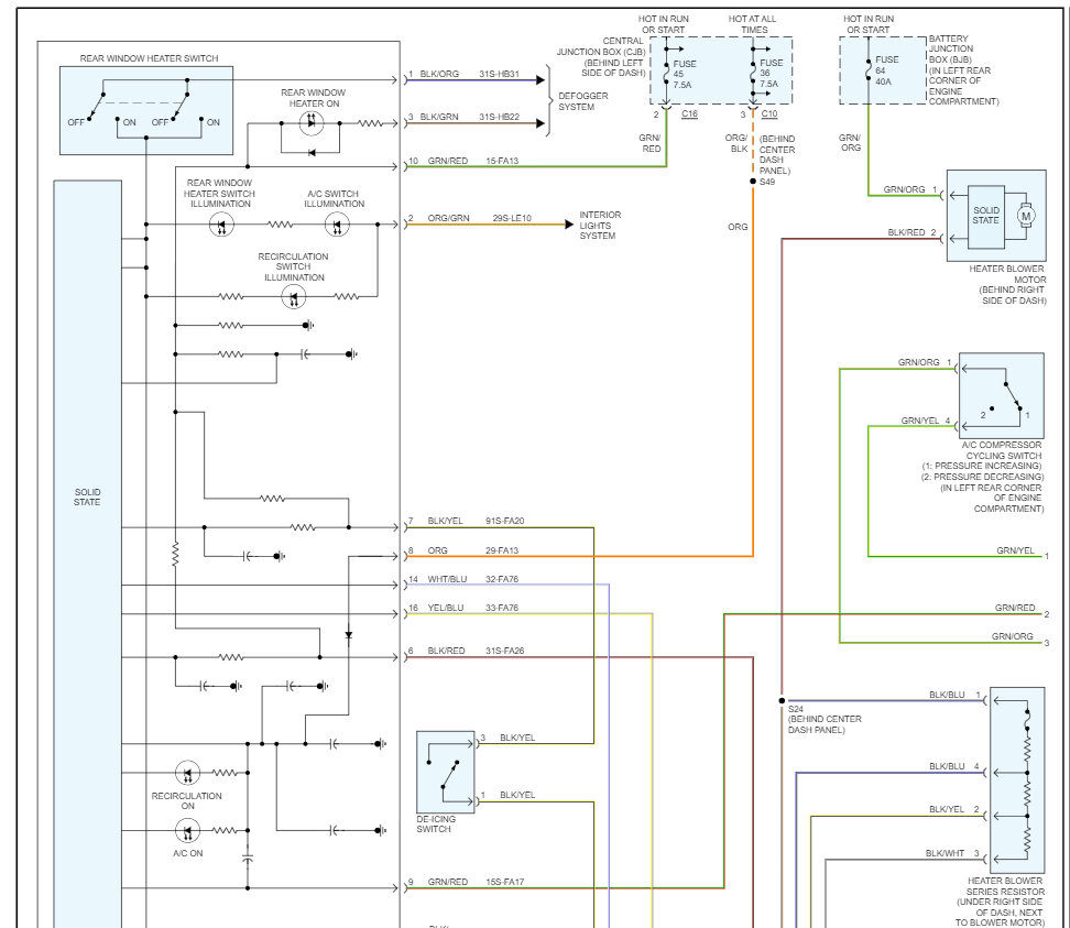
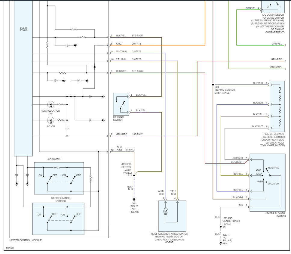
The problem is, when I start the car both of the fans run all the time, I've checked temperature sensor, high pressure switch, wiring, fan resistor, relays. Everything looks fine but I'm getting out of my mind. The heater setting is set to face and floor, and heater fan is turned off so demist function can't work. I don't know what to do.







