Thursday, August 17th, 2023 AT 12:49 AM
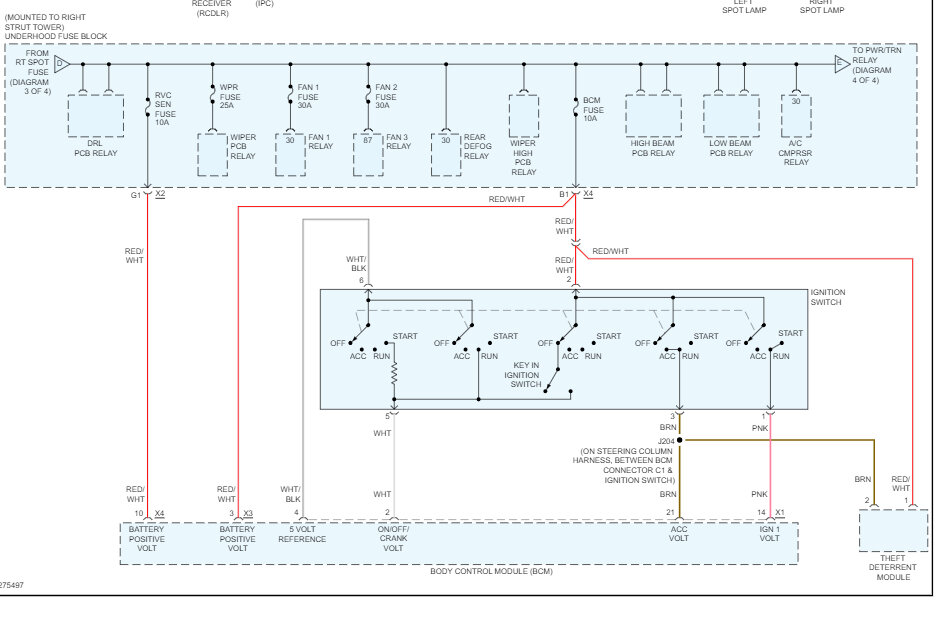
I need a color code wiring diagram for the car listed above for the ignition switch, so I can wire in a aftermarket push to start and stop button.




