Friday, October 27th, 2023 AT 7:34 PM
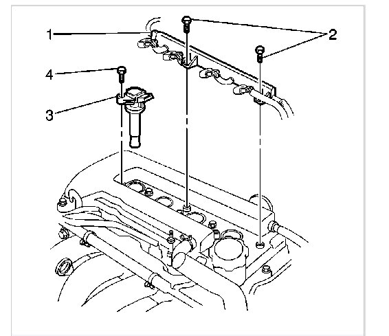
I recently was having some problems all of a sudden it started running really rough and obviously misfiring I took it in to get the code red and it confirmed I misfires in cylinder 2. I troubleshooted it immediately by looking at the plugs and noticed they had oil and all the wells, so I replaced the valve cover gasket and Tube seals which was obviously what was making the oil get in there by the shape of it when I saw it. I also replaced all the plugs and cleaned off the tubes and coils. It is still running very rough and misfiring although not as much still unacceptable though, and I'm thinking of replacing the coil on cylinder 2 as my next step I just wanted to confirm that that would be a good next step to take? Thanks for your help in advance.






