Tuesday, December 24th, 2013 AT 2:10 AM
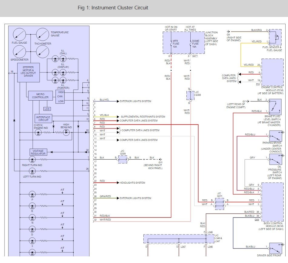
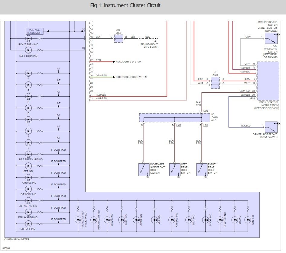
Sir, I own a Maruti Suzuki Swift VDI which has run 65,000 Km. All of a sudden the speedometer has stopped showing the speed of the car. The mechanic says the sensor is good the problem is with my the console in my car. Is it possible to repair this console or the only alternative is to replace it with a new one. If I have to go for a new console what would be its price in India. Please advice, whether I should go for a new console or not.














