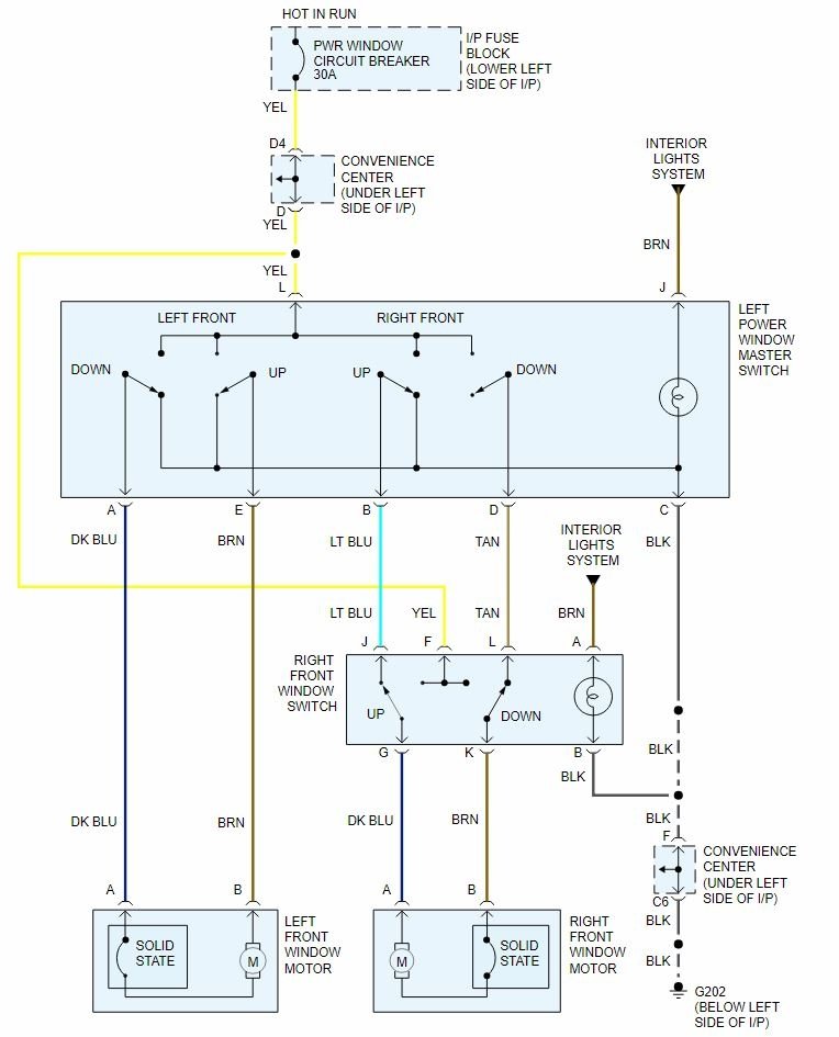
I checked to make sure there is power going into the housing which means the fuse is okay. From there I checked the power at the clip which goes into the motor and there is power there. From there I assumed the motor had gone bad, but I bought a new motor and plugged it in and that did not function either. Any tips please I am stuck?
Tuesday, September 11th, 2018 AT 7:21 PM










