Sunday, June 23rd, 2019 AT 10:30 PM
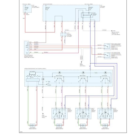
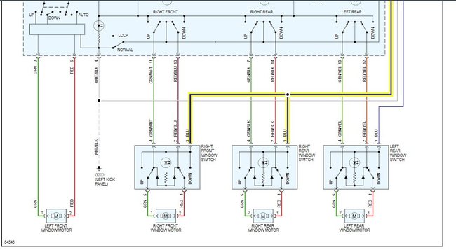
The windows on the drivers side work fine, front and back. However, all of the passenger side does not, from any switch. What might cause this?


