Thursday, August 3rd, 2017 AT 9:01 AM
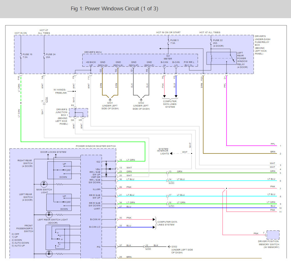
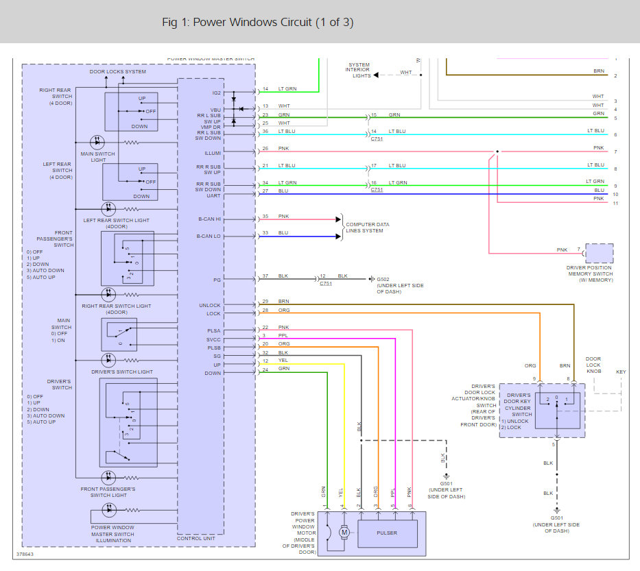
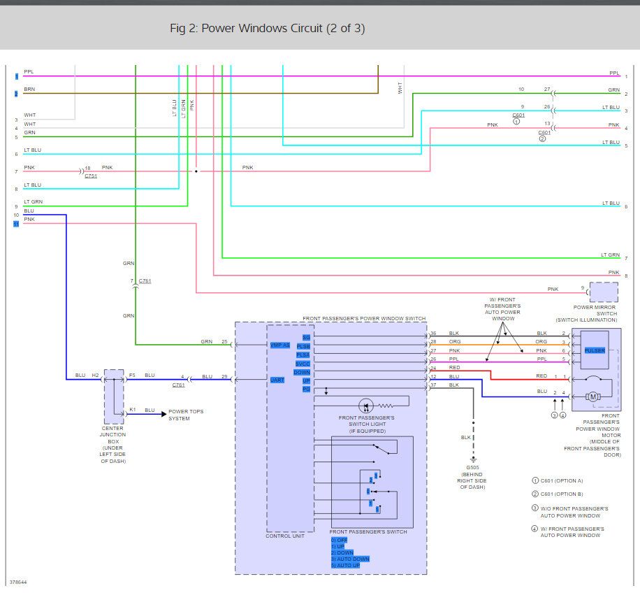
This is an Accord EX-L, V6. All power windows work from their seats and from the driver's seat. The remote locks and unlocks the doors. This car used to have the function to open the windows and sunroof by double click and hold the remote unlock button or by double-turn and hold the key in door. This function no longer works. There is no problem with travel. I have gone through the power window master reset process and that did not help. Is this a bad power window master switch?












