Saturday, October 29th, 2022 AT 7:08 AM
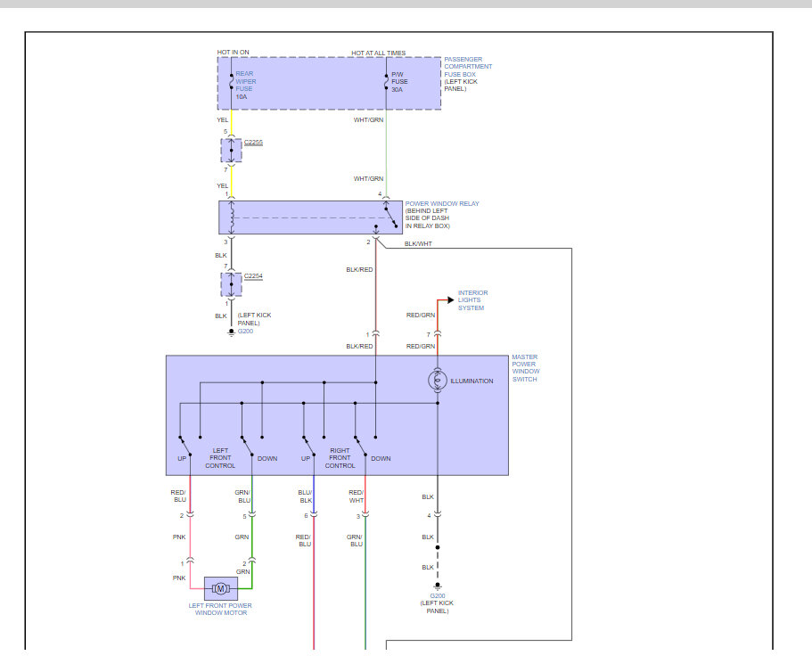
The power window switch (driver side) configured by another mechanic, I bought new power window switch for the vehicle listed above to bring it back to original connection, but the connector was already replaced and configured. Please send me the original wiring color code with diagram connected to the control switch so I can follow. Thanks a lot and more Power.


