Friday, January 13th, 2023 AT 8:29 PM
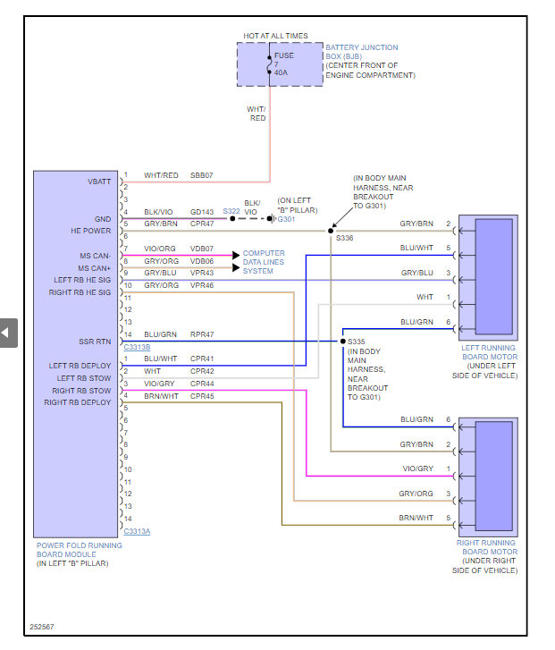
My vehicle listed above doesn’t even recognize the running boards are on my truck... Bought the truck 3 months ago, running boards have never worked would love to get them working... Do I start with buying new motors? A new modulator? I’ve checked all fuses, and all are good... Thank you for all and any help.



