Wednesday, December 31st, 2008 AT 8:26 AM
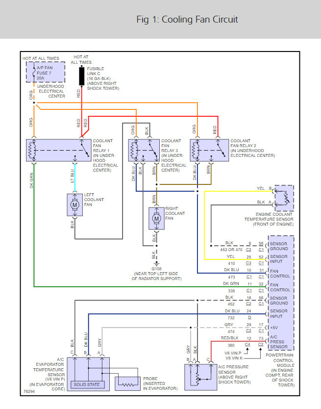
Cooling fans wont come on when engine warms up my understanding is 3 relays in fuse box and one fuse can you tell me where a possible thermostat switch is located or a wiring diagram?
