Thursday, April 18th, 2024 AT 8:02 AM
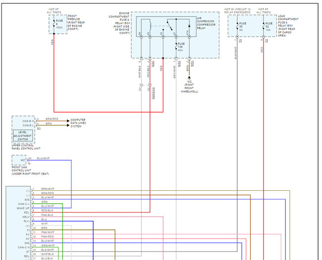
The compressor of the rear suspension Is not functioning. I have scanned the vehicle but no code. Please could I get the wire diagram for the compressor.



