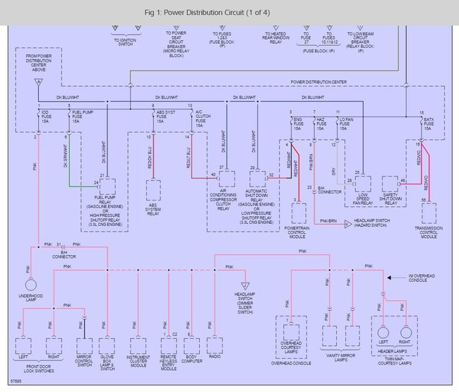
I just bought this car with 45000 mi. There are several electrical issues that I can't help but think are related. The power lock switches don't work (driver or passenger side), stereo doesn't work, interior lighting doesn't work, small bulb under hood doesn't work, and elec. Mirror adjustment doesn't work. All fuses check out fine. I took the mirror adjustment switches off to find burnt connections and wires, however all other switches and wiring look fine. Can you help me?
Monday, July 6th, 2009 AT 11:56 PM


