Saturday, February 20th, 2021 AT 7:43 AM
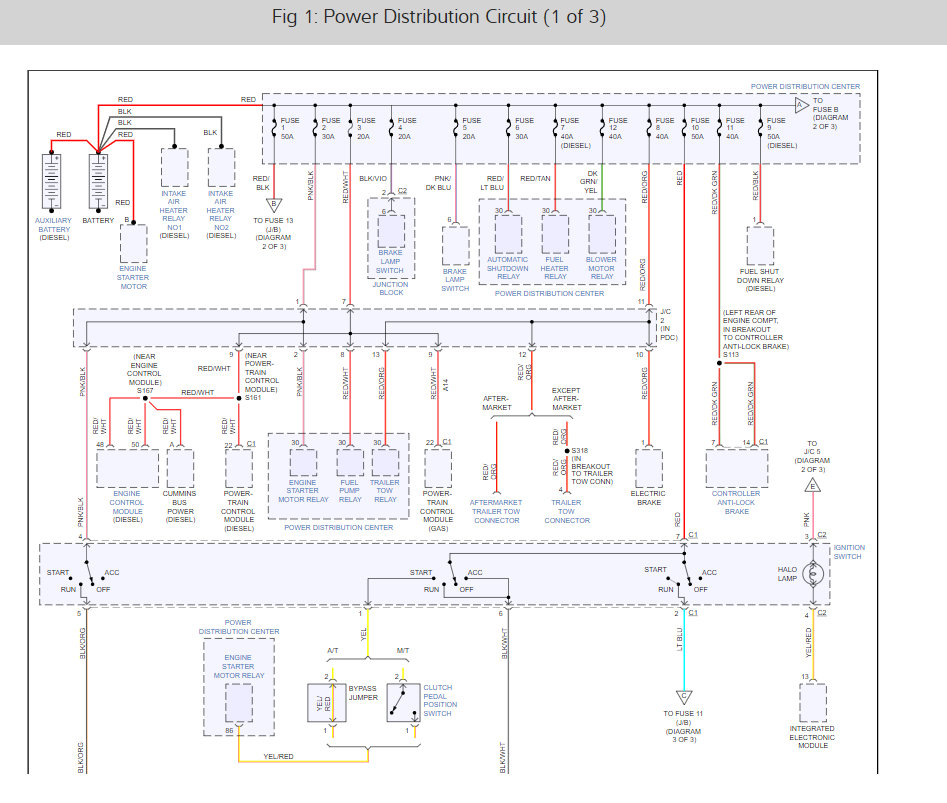
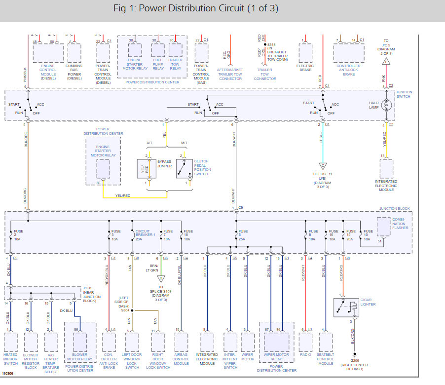
I looked through the field service manual and could not find a connector pin out for the engine-inline junction. Currently swapping a 5.2 V8 into my 2001 Jeep. Donor vehicle is a 1999 Ram 1500. The only thing that's holding me back is I have no idea where these wires go when they come out from the bottom of the fuse box. Any help would be appreciated.








