I have the truck listed above 4.0 SOHC 4x4 it’s a manual 5 speed transmission.
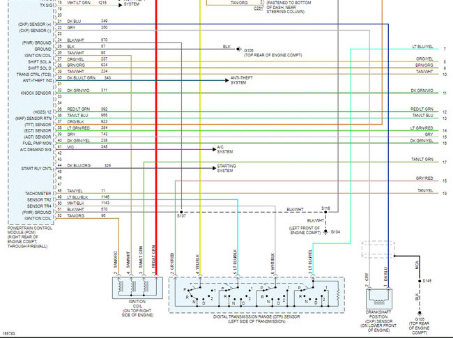
I’m looking for the PCM diagram pinout for a manual transmission only. The only thing am finding is the one for a Automatic transmission pinout. But I need the manual transmission pinout to the PCM.
Here is the wiring harness info I have:
“The wiring harness number out of the Ranger is 12B637 harness and the plug
to the PCM is C175 gray plug.”
I need pinout for a manual transmission!
or how do I read the pinout for a manual transmission out of the automatic pinout?
I would be happy to have little info please.
Thursday, October 29th, 2020 AT 11:34 AM













