Monday, September 23rd, 2024 AT 4:51 AM
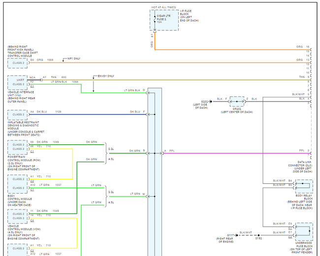
I need the pin out for the 16228016 PCM and maybe the obd2 port so I can get rid of vats and check engine lights from not having a catalectic converter. All I have been able to find is the PCM pin outs for the is PCM with the red and blue connectors? I have the blue and black connectors, and I am not putting an LS in my S10 thank you in advance.









