Sunday, July 9th, 2023 AT 2:20 PM
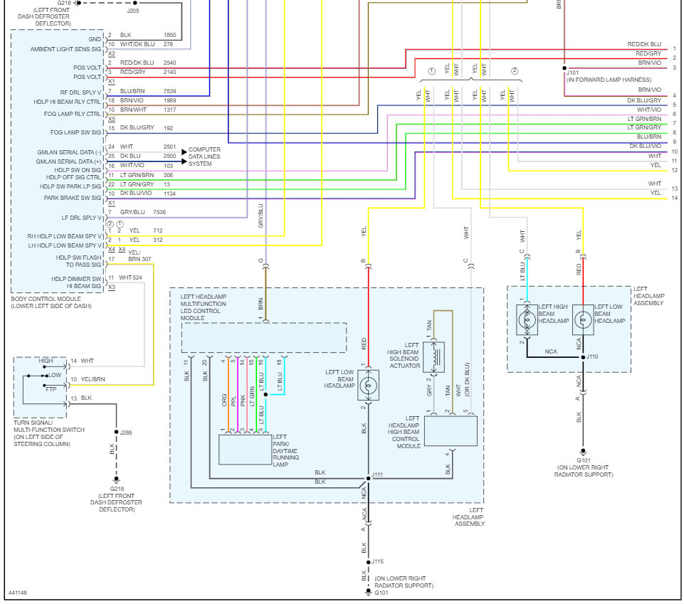
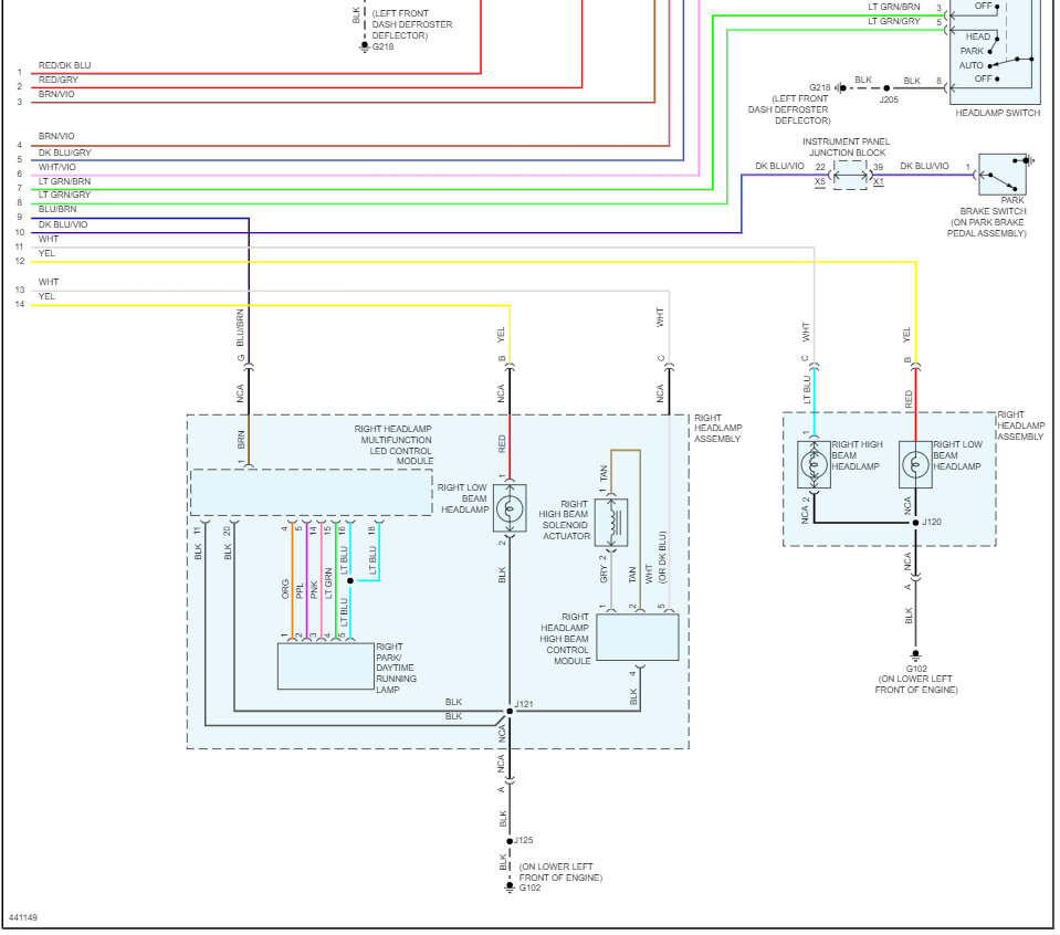
I have the truck listed above Silverado WT. The passenger side low beam headlight does not come on. The other headlights are all working. The bulb tests good. When the headlights are supposed to be on (verified by observing the driver's side low beam being on), I read 3.5 Volts at the red wire connector going to the passenger low beam. Since the passenger high beam is working and since the low beam and high beam share the same frame ground, it is assumed this is not a ground problem. This is verified by measuring the same 3.5 volts from the red wire to the frame. I have the headlight schematic. It shows the right hand (passenger) and left hand (driver) low beam power supply coming out of the BCM on yellow wires marked 712 and 312 respectively. I would like to measure the output of the BCM on these wires, but they are part of a tight wire bundle. So, according to the schematic, the next measurement point is in the main under-hood fuse block. The passenger side low beam yellow wire 712 comes into the fuse block at "K1 X4" and comes out on "D1 X1". There does not seem to be a fuse associated with this for some reason (no low beam fuse is mentioned on the fuse box map on the underside of the fuse block lid and the "headlamps" fuse is high beams only). So I need to know 1) is there a fuse in the main fuse block for the low beams, 2) if not why did they route these yellow wires from the BCM to the fuse block, and 3) if there is no under-hood fuse because it relies on F6DL (which tests good and which has 12 volts), where is the passenger low beam power wire input location in the main fuse block designated by K1, X4 on the schematic, and where on the fuse block is the output designated by D1, X1 on the schematic? Also, are BCMs common root cause of low voltage at headlight or something else?







