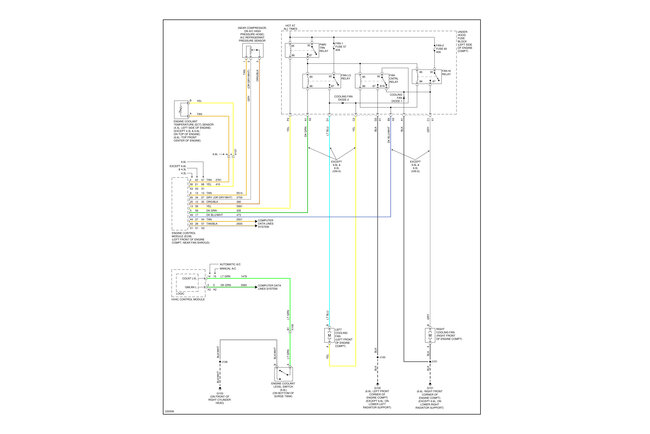
I am having an issue with my truck listed above. The radiator fans will not kick on and I got an error code P0480. If I did disconnect the cooling sensor they will kick on and will not turn off until I plug it back in. I’ve replaced the cooling sensor, module and today I took apart the harness to follow the wires from the cooling sensor to the computer. It’s not cute so I am just 100% lost on what it could be. Some say it’s the computer that’s gone bad, but my situation seems a bit unique. Any help would be amazing.
Thursday, April 27th, 2023 AT 8:22 PM

