Tuesday, February 18th, 2025 AT 11:52 AM
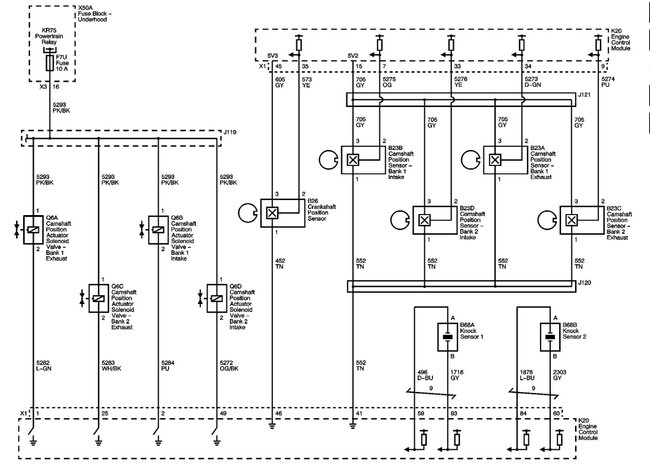
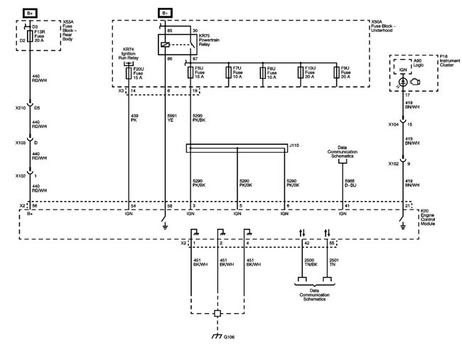
Im getting these 2 high voltage codes the bank 2 side of the motor. Inspected and replaced camshaft sensors they are good as well as the crankshaft sensor. So, its leading me to believe that it's in the wiring but I am getting the accurate 5-volts that it's supposed to get so I'm not sure why its reading "high voltage"








