Tuesday, September 12th, 2023 AT 2:17 PM
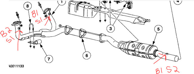
Engine is Throwing a code that says the number 2 (downstream) oxygen sensor is faulty but both sensors are up on the exhaust by headers. I replaced them both 3 to 4 years ago. Is that normal for them to go out after 3 years? Also, which would be considered the downstream O2 sensor?




